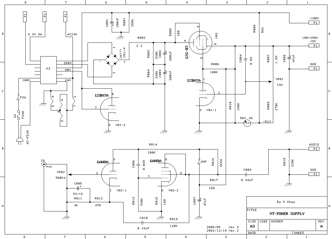
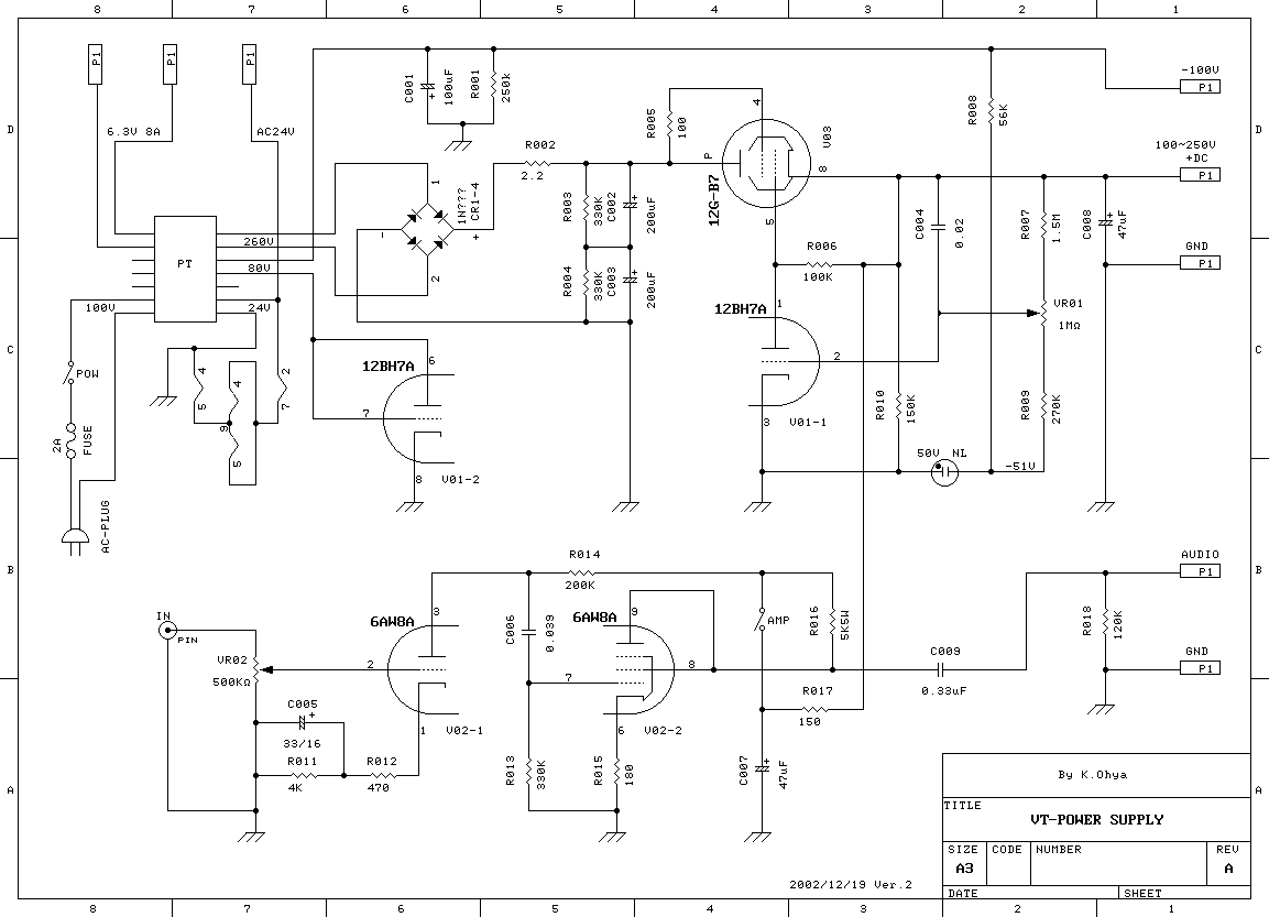
VT Power Supply



・ 150 - 250V 安定化電源

昔々、ガキの頃に組んだ実験用電源で、いまでも働いています。製作年等 不明です。回路図は無かったので起こしておきました。ジャンク部品の かき集め、どうにも危なっかしい造りです。 整流ダイオードは3種類混ざっています。250V程度は出ますから、 レギュレータ管のhk耐圧規格を超えています。保護回路も無いのですが、 ゼロバイアスまでの動作だから瞬時ショートなら壊れないかも。

組み込んであるアンプは、オーディオ出力管だけでも実験出来るように 作ったつもりなのでしょう。低μ3極管のドライブには出力不足でオビ タスキ状態です。色々改良したい気もするのですが・・。

2002/12/19 改版:もう少し低い電圧も欲しくなったので、ちょっと改造、 100 - 250V出力としました。ついでにケミコン、ネオンランプ交換、 イモ半田発見。

 VT Power Supply

2005/10/05 改版: オーディオアンプは、発振器の出力電圧が足りないときに使うだけなので ゲインは余りすぎ、歪みも少々大きい。NFBを掛ければいいですね。

 VT Power Supply Version 3




 12G-B7の勇姿(Sharp ブランド)



 トランスは大変立派なもの。 かなり大きな計測器か放送機材用だったらしい。


 Home